今天是:
新闻动态
政策法规 您的当前位置:首页 -> 新闻动态 -> 政策法规  
公安部发布《危险货物运输车辆道路检查规范》GA/T 2096-2023(全文)
发布时间:2023-07-14 文章来源:网络  浏览次数:14631

ICS  43.020

CCS R 04

中华人民共和国公共安全行业标准


GA/T 2096—2023



危险货物运输车辆道路检查规范

Specifications for roadside inspection of road transportation vehicle for dangerous goods





2023 - 05 - 23 发布

2023- 10 - 01 实施

中华人民共和国公安部

  发 布


目次


前言 

1 范围 

2 规范性引用文件 

3 术语和定义 

4 检查项目 

5 检查要求 

6 检查结果处置 

附录 A  (规范性)  检查合格要求 

附录 B  (资料性)  危险货物运输车辆道路检查告知单 

参考文献 


前言


本文件按照GB/T 1.1—2020《标准化工作导则第1部分:标准化文件的结构和起草规则》的规定起草。

请注意本文件的某些内容可能涉及专利。本文件的发布机构不承担识别专利的责任。

本文件由全国道路交通管理标准化技术委员会(SAC/TC576)提出并归口。

本文件起草单位:公安部交通管理科学研究所、广西壮族自治区公安厅交通管理局、山西省公安厅交通管理局、湖南省高速公路交通警察局、南通市公安局。

本文件主要起草人:应朝阳、杨鑫、穆文浩、孙巍、孔晨晨、吴云强、石哲宇、刘毅刚、黄彬、陈斌、李岩飞。


危险货物运输车辆道路检查规范


1 范围


本文件规定了危险货物运输车辆道路检查的检查项目、检查要求和检查结果处置。

本文件适用于公安机关交通管理部门对在道路上通行的危险货物运输车辆进行检查。


2  规范性引用文件


本文件没有规范性引用文件。


3  术语和定义


下列术语和定义适用于本文件。

3.1危险货物运输车辆  road transportation vehicle  for dangerous goods

用于运输危险货物的货车、挂车、汽车列车。

[ 来源:GB 7258—2017,3.5,有修改 ]

3.2道路检查  roadside inspection

公安机关交通管理部门依据道路交通安全法律法规、机动车国家安全技术标准和规范性文件,对在道路上通行的车辆进行检查。

3.3安全隐患  safety failure

车辆安全性不符合道路交通安全法律法规、机动车国家安全技术标准和规范性文件的情形。<, /p>

3.4危险货物运单  dangerous goods waybill

危险货物承运人制作并由驾驶人随车携带的,传递危险货物危险性等信息的纸质或电子形式单据。


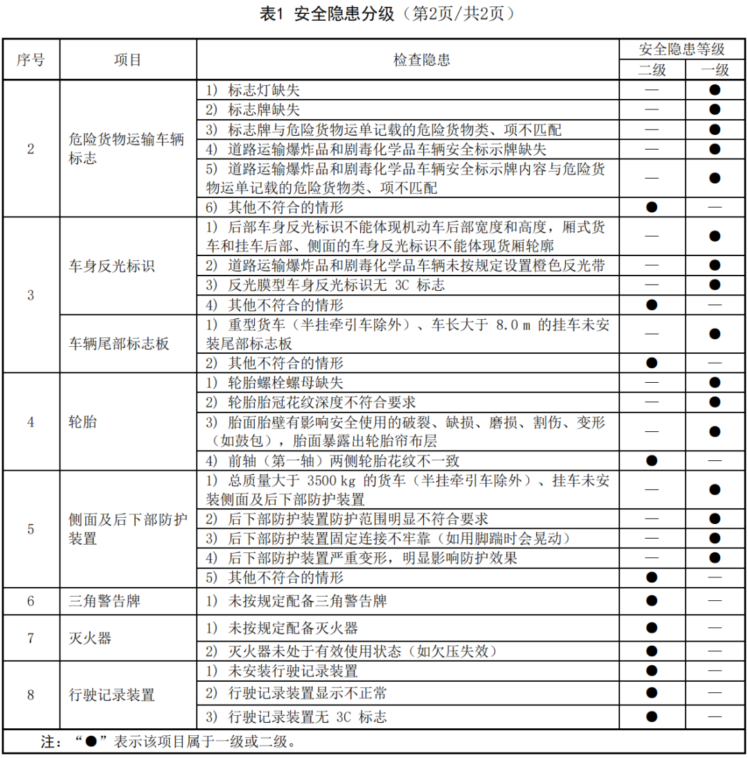
4  检查项目


4.1  危险货物运输车辆道路检查 (以下简称“道路检查”) 项目分为牌证检查、车辆安全性检查和通行安全检查。

4.2  牌证检查的项目包括:

a) 机动车号牌、机动车行驶证、检验合格标志、保险标志或电子保单;

b) 机动车驾驶证、身份证(对机动车驾驶证有疑问的)。

属于道路运输剧毒化学品的,还应检查剧毒化学品道路运输通行证;属于道路运输民用爆炸物品、 烟花爆竹、放射性物品的,可检查民用爆炸物品运输许可证/烟花爆竹道路运输许可证/放射性物品道路运输许可证明或者文件。

4.3  车辆安全性检查的项目包括:

a) 常规检查项目:

——车辆外观形状(含照明装置);

——危险货物运输车辆标志(标志灯、标志牌、安全标示牌等);

——车身反光标识(含色带,下同) 和车辆尾部标志板;

——轮胎。

b) 道路条件和交通状况允许时可补充检查项目:

——侧面及后下部防护装置;

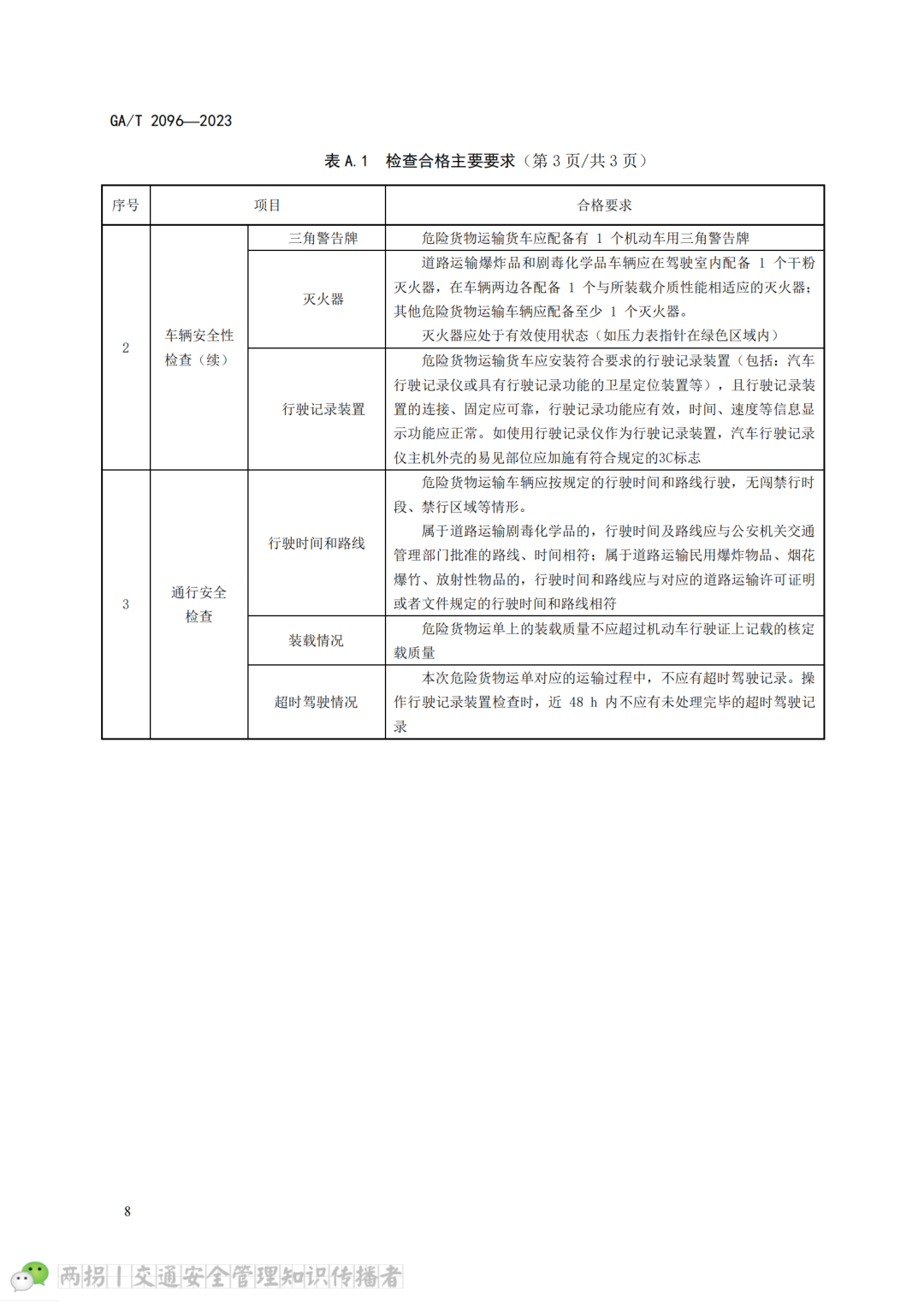
——三角警告牌;

——灭火器;

——行驶记录装置。

4.4  通行安全检查的项目包括:

a) 行驶时间和路线;

b) 装载情况;

c) 超时驾驶情况。


5  检查要求


5.1 道路检查应在交通安全执法服务站或在具备条件的执勤点进行。开展道路检查的交通安全执法服务站、执勤点应配备强光手电、轮胎花纹深度计、金属卷尺等常用检查工具设备;有条件的,宜配备汽车行驶记录装置检查仪器、二代身份证阅读器等仪器装置。交通安全执法服务站还应配备计算机接入公安信息通信网。

5.2 依据《交通警察道路执勤执法工作规范》和《交通警察和警务辅助人员安全防护规定》等规定,道路检查必须作好安全防护。

5.3 道路检查应由交通警察进行,警务辅助人员可在交通警察的带领下配合进行道路检查。道路检查过程中,应按照规定使用执勤执法记录仪。

5.4 检查人员应确认所检查项目是否符合附录A的规定,通过公安交通集成指挥平台记录检查情况及发现的问题,并对发现的安全隐患按照表1进行分级;需要制作《危险货物运输车辆道路检查告知单》 (式样见附录B)的,宜通过公安交通集成指挥平台制作。对24 h内有过被检查记录的危险货物运输车辆,可只进行通行安全检查。检查过程中,发现滞留的危险货物运输车辆影响道路正常通行时,应简化检查要求,快速放行。

5.5 牌证检查方法如下:

a) 检查机动车行驶证、机动车驾驶证以及剧毒化学品道路运输通行证等许可证明或者文件,核查与危险货物运单记载信息的一致性,确认准驾车型是否相符;

b) 检查机动车号牌、机动车行驶证、检验合格标志、保险标志或电子保单,机动车驾驶证,以及剧毒化学品道路运输通行证等许可证明或者文件,核查有无伪造、变造等违法违规情形;

c) 对机动车号牌、机动车行驶证的真伪有疑问时,宜实车查看打刻的车辆识别代号的字母和数字,核对是否与机动车行驶证记载的信息一致,确认有无明显被凿改等情形。必要时,联系车辆登记地公安机关交通管理部门,核实与原始的车辆识别代号拓印膜的一致性;

d) 对机动车号牌的真伪有疑问时,可通过公安交通管理综合应用平台核实机动车号牌上的生产序列标识,并调看公安交通集成指挥平台的行驶轨迹、车辆特征图片;

e) 对机动车行驶证、机动车驾驶证的真伪有疑问时,可核实证件副页上的一维条码信息

f) 通过管理部门认可的移动应用程序确认检验合格标志电子凭证、电子保单的信息,对纸质检验合格标志的真伪有疑问时应通过公安交通集成指挥平台予以核实,对保险有效期有疑问时宜联系相应的保险公司予以核实;

g) 对剧毒化学品道路运输通行证的真伪有疑问时应通过公安交通管理综合应用平台予以核实,对民用爆炸物品运输许可证/烟花爆竹道路运输许可证/放射性物品道路运输许可证明或者文件的真伪有疑问时可联系核发地公安机关相关部门核实;

h) 检查身份证时,宜通过二代身份证阅读器读取身份证信息。

牌证检查时,通过公安交通集成指挥平台查询车辆和驾驶人状态,发现被检车辆、驾驶人存在尚未处理完毕的道路交通安全违法行为或者交通事故的,应告知其及时处理。

5.6 绕行车辆进行车辆安全性检查,具体如下:

a) 目视检查车辆外观形状(含照明装置),重点核查车辆外形与机动车行驶证照片有无明显区别、照明装置是否完好有效;

b) 目视检查危险货物运输车辆标志灯和标志牌、(道路运输爆炸品和剧毒化学品车辆)安全标示牌,重点核查标志灯是否完好、标志牌和安全标示牌信息是否与危险货物运单相符;

c) 目视检查车辆是否按规定装备了车身反光标识和车辆尾部标志板,核查装备的车身反光标识、 (道路运输爆炸品和剧毒化学品车辆)橙色反光带和车辆尾部标志板有无严重破损、缺失,以及反光膜型车身反光标识有无3C标志;

d) 目视检查轮胎,目测轮胎胎冠花纹深度偏小的宜使用轮胎花纹深度计测量;

e) 目视检查侧面及后下部防护装置,核查其防护范围是否符合要求;对装置离地高度等有疑问时,应使用卷尺等量具测量相关尺寸;

f) 目视检查有无配备三角警告牌,可操作核查其能否正常使用;

g) 目视检查有无配备灭火器及配备的灭火器使用状态是否有效;

h) 目视检查行驶记录装置有无3C标志,并操作核查其显示功能是否正常。

进行车辆安全性检查前,应提示驾驶人确认车辆有无泄漏、紧急切断阀等阀体是否按规定关闭;对罐式危险货物运输车辆,宜询问其是否按规定装备了紧急切断阀。

5.7 通行安全检查方法如下:

a) 检查行驶时间和路线时,应通过询问驾驶人、查看公安交通集成指挥平台等方式,核查车辆是否按照指定行驶时间和路线行驶;

b) 检查装载情况时,应比对机动车行驶证记载的核定载质量信息和危险货物运单记载的装载质量信息;

c) 检查超时驾驶情况时,应通过操作行驶记录装置的按键,或通过询问驾驶人、查看公安交通集成指挥平台等方式,确认近48h内是否有超时驾驶的记录。

5.8 道路检查发现被检车辆有使用伪造、变造的机动车牌证、被盗抢等嫌疑,或者驾驶有拼装或者达到报废标准嫌疑的机动车上道路行驶等情形的,依据《道路交通安全违法行为处理程序规定》等规定采取扣留车辆、机动车驾驶证等行政强制措施。

5.9 省级、设区的市公安机关交通管理部门应用自行研发的危险货物运输车辆通行管理信息系统对辖区内或途经辖区的危险货物运输车辆进行道路检查的,如危险货物运输车辆通行管理系统已预先采集或能实时获取车辆和人员、道路运输危险货物相关信息,按照经省级公安机关交通管理部门备案的道路检查规程进行牌证检查、通行安全检查的,视同满足了5.5、5.7规定的要求。

5.10 宜联合交通运输等部门共同开展道路检查。

5.11 对无法提供危险货物运单的,应在检查机动车号牌、机动车行驶证、机动车驾驶证等牌证后移交交通运输部门。


6  检查结果处置


6.1 所有检查项目的检查结果均为合格的,记录检查情况后应立即放行被检车辆。

6.2 检查项目的检查结果存在不合格的情形时,应记录检查情况,依据《危险货物道路运输安全管理办法》、《道路交通安全违法行为处理程序规定》等规定予以处罚。

6.3 车辆安全性检查项目存在不合格情形的,除按6.2执行外,对于检查项目存在一级安全隐患且具备现场整改条件的,可责令驾驶人就地对车辆进行整改,待整改完毕再次检查合格后再放行被检车辆;对于检查项目存在二级安全隐患和/或现场难以立即整改的一级安全隐患的,出具《危险货物运输车辆道路检查告知单》交给驾驶人,告知其按要求尽快整改和相应的法律责任义务,待驾驶人签收后拍照/复印留存,放行被检车辆。

6.4 道路检查时:

a) 发现危险货物运输车辆存在其他不符合机动车国家安全技术标准情形的,依据《道路交通安全违法行为处理程序规定》等规定予以处罚;

b) 发现危险货物运输车辆存在应由公安机关予以处罚的其他违法行为(如未按规定配备押运人员)的,依据《危险货物道路运输安全管理办法》等规定予以处罚;

c) 发现危险货物运输车辆存在应由交通运输等部门予以处理的其他情形的,应及时移交相关管理部门处理。

6.5 道路检查发现的问题,应在3个工作日内通过公安交通集成指挥平台推送给危险货物运输车辆登记地公安机关交通管理部门,由其在3个工作日内将发现的问题通报给危险货物运输企业和当地交通运输部门,督促危险货物运输企业按要求整改道路检查发现的车辆安全隐患。

上一篇: 《检验检测机构资质认定评审准则》全文发布
下一篇: 2023年机动车检验检测机构监督检查表

版权所有:安徽省机动车辆检测协会    技术支持:浪讯科技    
地址:合肥市瑶海区复兴路99号银通物联A座19楼    电话:0551-62613700
皖ICP备15003925号-2     皖公网安备 34010302001770号